NF580D2服务器使用手册详解
2026-01-11 14:19:10
0浏览
收藏
今日不肯埋头,明日何以抬头!每日一句努力自己的话哈哈~哈喽,今天我将给大家带来一篇《NF580D2服务器使用指南与手册详解》,主要内容是讲解等等,感兴趣的朋友可以收藏或者有更好的建议在评论提出,我都会认真看的!大家一起进步,一起学习!
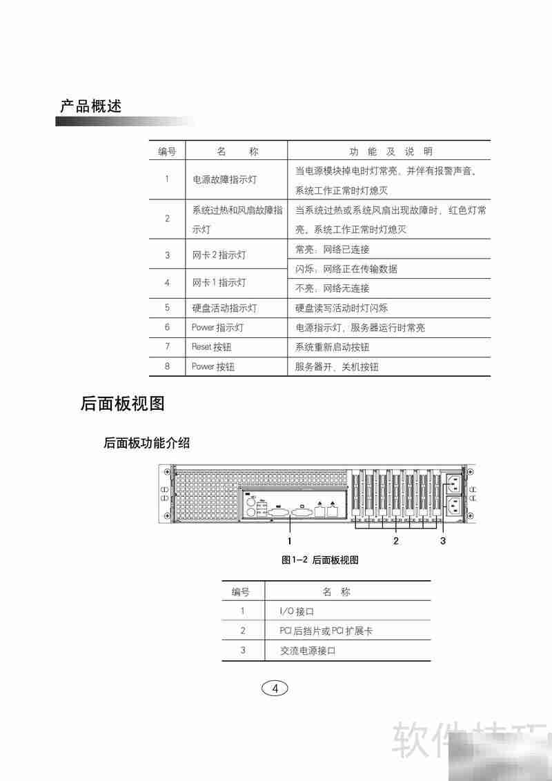
浪潮英信服务器NF580D2用户手册V1.0全面阐述了设备的操作步骤及典型问题的解决方案,助力用户高效掌握产品操作要领并及时排除日常使用中可能遇到的各类异常。







今天关于《NF580D2服务器使用手册详解》的内容就介绍到这里了,是不是学起来一目了然!想要了解更多关于的内容请关注golang学习网公众号!
Win10屏幕键盘怎么打开使用
- 上一篇
- Win10屏幕键盘怎么打开使用
- 下一篇
- TopMediAI音乐生成器:轻松创作好旋律
查看更多
最新文章
-
- 文章 · 软件教程 | 1分钟前 | 网络连接错误
- Windows11网络错误修复全攻略
- 381浏览 收藏
-
- 文章 · 软件教程 | 2分钟前 |
- Win10跳过更新设置教程
- 118浏览 收藏
-
- 文章 · 软件教程 | 3分钟前 |
- PPT镂空文字制作方法分享
- 311浏览 收藏
-
- 文章 · 软件教程 | 3分钟前 |
- 微博查登录设备方法,异地登录怎么查
- 128浏览 收藏
-
- 文章 · 软件教程 | 4分钟前 |
- CAD图纸字体显示问号的解决方法
- 147浏览 收藏
-
- 文章 · 软件教程 | 6分钟前 |
- 12306车票查询入口及登录方法
- 357浏览 收藏
-
- 文章 · 软件教程 | 7分钟前 | 自动更新
- Windows10自动更新关闭教程
- 345浏览 收藏
-
- 文章 · 软件教程 | 9分钟前 |
- QQ邮箱登录入口及官网地址大全
- 474浏览 收藏
-
- 文章 · 软件教程 | 10分钟前 |
- 百度智慧农场短信告警设置步骤详解
- 210浏览 收藏
-
- 文章 · 软件教程 | 12分钟前 |
- 高德地图调整导航图标大小教程
- 408浏览 收藏
-
- 文章 · 软件教程 | 12分钟前 |
- 安居客官网入口与登录方法
- 471浏览 收藏
-
- 文章 · 软件教程 | 13分钟前 |
- 个税汇算入口及手机办理教程
- 229浏览 收藏
查看更多
课程推荐
-
- 前端进阶之JavaScript设计模式
- 设计模式是开发人员在软件开发过程中面临一般问题时的解决方案,代表了最佳的实践。本课程的主打内容包括JS常见设计模式以及具体应用场景,打造一站式知识长龙服务,适合有JS基础的同学学习。
- 543次学习
-
- GO语言核心编程课程
- 本课程采用真实案例,全面具体可落地,从理论到实践,一步一步将GO核心编程技术、编程思想、底层实现融会贯通,使学习者贴近时代脉搏,做IT互联网时代的弄潮儿。
- 516次学习
-
- 简单聊聊mysql8与网络通信
- 如有问题加微信:Le-studyg;在课程中,我们将首先介绍MySQL8的新特性,包括性能优化、安全增强、新数据类型等,帮助学生快速熟悉MySQL8的最新功能。接着,我们将深入解析MySQL的网络通信机制,包括协议、连接管理、数据传输等,让
- 500次学习
-
- JavaScript正则表达式基础与实战
- 在任何一门编程语言中,正则表达式,都是一项重要的知识,它提供了高效的字符串匹配与捕获机制,可以极大的简化程序设计。
- 487次学习
-
- 从零制作响应式网站—Grid布局
- 本系列教程将展示从零制作一个假想的网络科技公司官网,分为导航,轮播,关于我们,成功案例,服务流程,团队介绍,数据部分,公司动态,底部信息等内容区块。网站整体采用CSSGrid布局,支持响应式,有流畅过渡和展现动画。
- 485次学习
查看更多
AI推荐
-
- ChatExcel酷表
- ChatExcel酷表是由北京大学团队打造的Excel聊天机器人,用自然语言操控表格,简化数据处理,告别繁琐操作,提升工作效率!适用于学生、上班族及政府人员。
- 4082次使用
-
- Any绘本
- 探索Any绘本(anypicturebook.com/zh),一款开源免费的AI绘本创作工具,基于Google Gemini与Flux AI模型,让您轻松创作个性化绘本。适用于家庭、教育、创作等多种场景,零门槛,高自由度,技术透明,本地可控。
- 4431次使用
-
- 可赞AI
- 可赞AI,AI驱动的办公可视化智能工具,助您轻松实现文本与可视化元素高效转化。无论是智能文档生成、多格式文本解析,还是一键生成专业图表、脑图、知识卡片,可赞AI都能让信息处理更清晰高效。覆盖数据汇报、会议纪要、内容营销等全场景,大幅提升办公效率,降低专业门槛,是您提升工作效率的得力助手。
- 4297次使用
-
- 星月写作
- 星月写作是国内首款聚焦中文网络小说创作的AI辅助工具,解决网文作者从构思到变现的全流程痛点。AI扫榜、专属模板、全链路适配,助力新人快速上手,资深作者效率倍增。
- 5723次使用
-
- MagicLight
- MagicLight.ai是全球首款叙事驱动型AI动画视频创作平台,专注于解决从故事想法到完整动画的全流程痛点。它通过自研AI模型,保障角色、风格、场景高度一致性,让零动画经验者也能高效产出专业级叙事内容。广泛适用于独立创作者、动画工作室、教育机构及企业营销,助您轻松实现创意落地与商业化。
- 4671次使用
查看更多
相关文章
-
- pe系统下载好如何重装的具体教程
- 2023-05-01 501浏览
-
- qq游戏大厅怎么开启蓝钻提醒功能-qq游戏大厅开启蓝钻提醒功能教程
- 2023-04-29 501浏览
-
- 吉吉影音怎样播放网络视频 吉吉影音播放网络视频的操作步骤
- 2023-04-09 501浏览
-
- 腾讯会议怎么使用电脑音频 腾讯会议播放电脑音频的方法
- 2023-04-04 501浏览
-
- PPT制作图片滚动效果的简单方法
- 2023-04-26 501浏览

