SIM7600CE模块电源设计要点详解
2025-10-03 08:57:33
0浏览
收藏
对于一个文章开发者来说,牢固扎实的基础是十分重要的,golang学习网就来带大家一点点的掌握基础知识点。今天本篇文章带大家了解《SIM7600CE模块电源设计要点解析》,主要介绍了,希望对大家的知识积累有所帮助,快点收藏起来吧,否则需要时就找不到了!
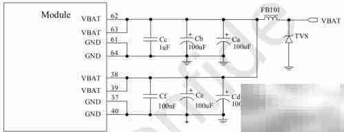
1、必须确保VBAT引脚的供电电压始终不低于3.4V,特别是在模块进行数据传输时,电压稳定性至关重要。
2、退耦电容应尽可能靠近VBAT焊盘安装,建议用户在PCB布局中保持元件紧凑,以提升电源完整性和整体工作性能。

3、推荐采用电视机等设备作为隔离保护措施,防止静电放电或瞬态电压冲击对模块造成损伤。

文中关于的知识介绍,希望对你的学习有所帮助!若是受益匪浅,那就动动鼠标收藏这篇《SIM7600CE模块电源设计要点详解》文章吧,也可关注golang学习网公众号了解相关技术文章。
PHP日期函数详解与使用实例
- 上一篇
- PHP日期函数详解与使用实例
- 下一篇
- Golang代码混淆教程:garble工具使用详解
查看更多
最新文章
-
- 文章 · 软件教程 | 1分钟前 |
- 肯德基app苹果版v6.30.0下载
- 343浏览 收藏
-
- 文章 · 软件教程 | 4分钟前 |
- Win10清理WinSxS目录方法【系统瘦身】
- 409浏览 收藏
-
- 文章 · 软件教程 | 8分钟前 |
- 拼多多登录后无法操作怎么办
- 183浏览 收藏
-
- 文章 · 软件教程 | 9分钟前 |
- 数据库基础入门详解指南
- 407浏览 收藏
-
- 文章 · 软件教程 | 12分钟前 |
- 51job前程无忧登录入口官网
- 438浏览 收藏
-
- 文章 · 软件教程 | 12分钟前 |
- Win11玩艾尔登法环卡顿解决方法
- 328浏览 收藏
-
- 文章 · 软件教程 | 14分钟前 |
- Win8打印机共享设置教程
- 325浏览 收藏
-
- 文章 · 软件教程 | 15分钟前 |
- Windows激活卡住解决方法及无响应处理指南
- 245浏览 收藏
-
- 文章 · 软件教程 | 16分钟前 |
- 用ChatGPT写Outlook邮件的技巧
- 209浏览 收藏
-
- 文章 · 软件教程 | 17分钟前 |
- 拼多多出价越高越能成交吗?
- 395浏览 收藏
-
- 文章 · 软件教程 | 18分钟前 |
- 货拉拉租车怎么操作?新手必看攻略
- 104浏览 收藏
-
- 文章 · 软件教程 | 18分钟前 |
- 笔趣阁找书技巧与智能推荐教程
- 176浏览 收藏
查看更多
课程推荐
-
- 前端进阶之JavaScript设计模式
- 设计模式是开发人员在软件开发过程中面临一般问题时的解决方案,代表了最佳的实践。本课程的主打内容包括JS常见设计模式以及具体应用场景,打造一站式知识长龙服务,适合有JS基础的同学学习。
- 543次学习
-
- GO语言核心编程课程
- 本课程采用真实案例,全面具体可落地,从理论到实践,一步一步将GO核心编程技术、编程思想、底层实现融会贯通,使学习者贴近时代脉搏,做IT互联网时代的弄潮儿。
- 516次学习
-
- 简单聊聊mysql8与网络通信
- 如有问题加微信:Le-studyg;在课程中,我们将首先介绍MySQL8的新特性,包括性能优化、安全增强、新数据类型等,帮助学生快速熟悉MySQL8的最新功能。接着,我们将深入解析MySQL的网络通信机制,包括协议、连接管理、数据传输等,让
- 500次学习
-
- JavaScript正则表达式基础与实战
- 在任何一门编程语言中,正则表达式,都是一项重要的知识,它提供了高效的字符串匹配与捕获机制,可以极大的简化程序设计。
- 487次学习
-
- 从零制作响应式网站—Grid布局
- 本系列教程将展示从零制作一个假想的网络科技公司官网,分为导航,轮播,关于我们,成功案例,服务流程,团队介绍,数据部分,公司动态,底部信息等内容区块。网站整体采用CSSGrid布局,支持响应式,有流畅过渡和展现动画。
- 485次学习
查看更多
AI推荐
-
- ChatExcel酷表
- ChatExcel酷表是由北京大学团队打造的Excel聊天机器人,用自然语言操控表格,简化数据处理,告别繁琐操作,提升工作效率!适用于学生、上班族及政府人员。
- 4129次使用
-
- Any绘本
- 探索Any绘本(anypicturebook.com/zh),一款开源免费的AI绘本创作工具,基于Google Gemini与Flux AI模型,让您轻松创作个性化绘本。适用于家庭、教育、创作等多种场景,零门槛,高自由度,技术透明,本地可控。
- 4479次使用
-
- 可赞AI
- 可赞AI,AI驱动的办公可视化智能工具,助您轻松实现文本与可视化元素高效转化。无论是智能文档生成、多格式文本解析,还是一键生成专业图表、脑图、知识卡片,可赞AI都能让信息处理更清晰高效。覆盖数据汇报、会议纪要、内容营销等全场景,大幅提升办公效率,降低专业门槛,是您提升工作效率的得力助手。
- 4366次使用
-
- 星月写作
- 星月写作是国内首款聚焦中文网络小说创作的AI辅助工具,解决网文作者从构思到变现的全流程痛点。AI扫榜、专属模板、全链路适配,助力新人快速上手,资深作者效率倍增。
- 5883次使用
-
- MagicLight
- MagicLight.ai是全球首款叙事驱动型AI动画视频创作平台,专注于解决从故事想法到完整动画的全流程痛点。它通过自研AI模型,保障角色、风格、场景高度一致性,让零动画经验者也能高效产出专业级叙事内容。广泛适用于独立创作者、动画工作室、教育机构及企业营销,助您轻松实现创意落地与商业化。
- 4726次使用
查看更多
相关文章
-
- pe系统下载好如何重装的具体教程
- 2023-05-01 501浏览
-
- qq游戏大厅怎么开启蓝钻提醒功能-qq游戏大厅开启蓝钻提醒功能教程
- 2023-04-29 501浏览
-
- 吉吉影音怎样播放网络视频 吉吉影音播放网络视频的操作步骤
- 2023-04-09 501浏览
-
- 腾讯会议怎么使用电脑音频 腾讯会议播放电脑音频的方法
- 2023-04-04 501浏览
-
- PPT制作图片滚动效果的简单方法
- 2023-04-26 501浏览

